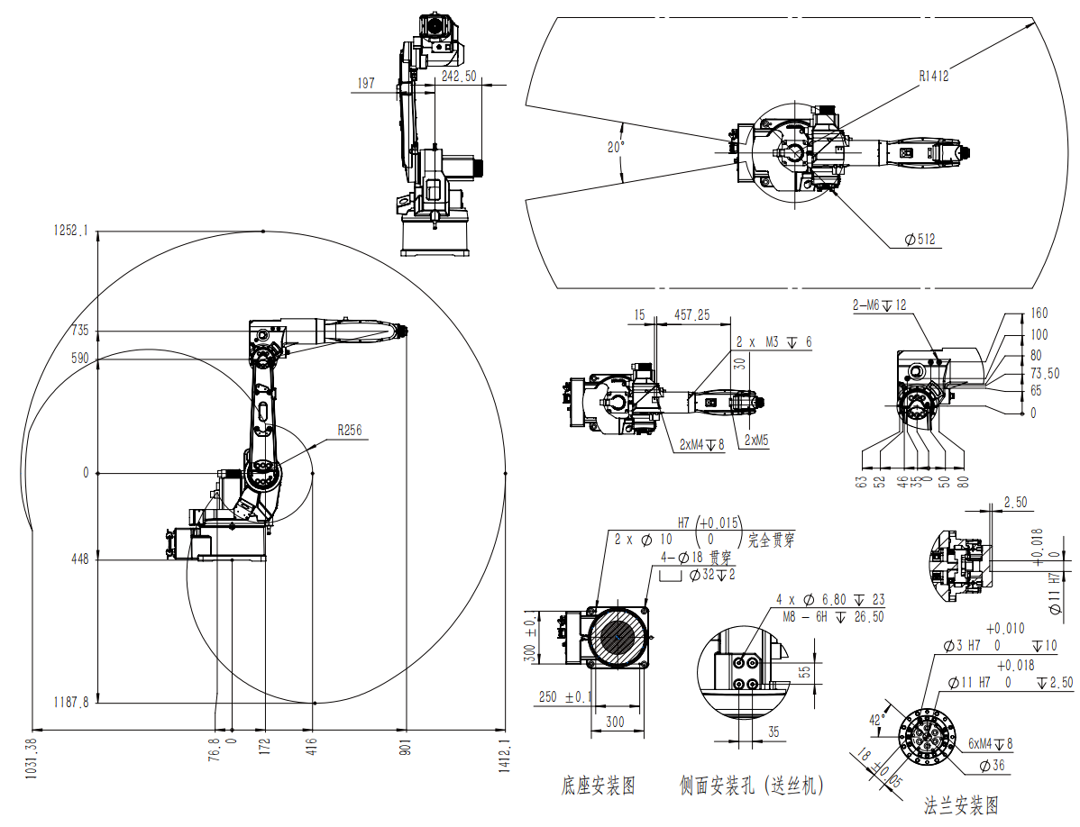
型號:TR06-1410B(原TKB1400) 負載:6kg 臂長: 1412mm

參數表
| TR06-1410B | |||
| 額定負載 | 6kg | ||
| 臂長 | 1412mm | ||
| 重復定位精度 | ±0.05mm | ||
| 防護等級 | IP54/IP67(5、6軸可選) | ||
| 結構形式 | 垂直多關節串聯結構 | ||
| 軸數 | 6 | ||
| 最大速度 | J1 | 198°/s | |
| J2 | 198°/s | ||
| J3 | 169°/s | ||
| J4 | 360°/s | ||
| J5 | 360°/s | ||
| J6 | 600°/s | ||
| 最大動作范圍 | J1 | ±170° | |
| J2 | -92°~153° | ||
| J3 | -100°~80° | ||
| J4 | ±140° | ||
| J5 | ±120° | ||
| J6 | ±360° | ||
| 腕部允許扭矩 | J4 | 16.7Nm |
|
| J5 | 16.7Nm | ||
| J6 | 9.6Nm | ||
| 腕部允許最大慣量 | J4 | 0.49kgm2 | |
| J5 | 0.49kgm2 | ||
| J6 | 0.16kgm2 | ||
| 額定功率 | 3.5kw | ||
| 用戶配線 | RVV10*0.2 | ||
| 用戶配管 | 1*Φ8mm | ||
| 用戶配電 | 單相AC220V-10%~+10% | ||
| 適用環境 | 運行環境溫度 | 0~45°C | |
| 環境濕度 | 10%~80%RH | ||
| 最大溫度梯度 | 1.5°C/min | ||
| 本體重量 | 160kg |
||
| 適用控制柜 | TRC5-B06 | ||
| 安裝方式 | 落地 |
||
參數圖

